OEM ЗАПЧАСТИ

  info@automotohub.ru   8 (916) 294-84-77
  О Компании   Оплата и Доставка   Помощь   Обратная связь

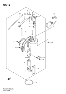
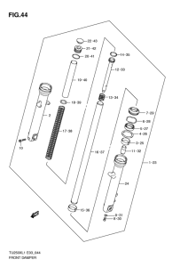
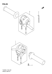
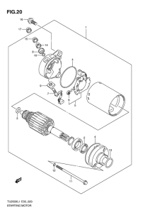
Запчасти для мотоциклов Suzuki TU250

Год: 2011  •  Код модели: TU250XL1(E3) L1  •  Объем двигателя: 250
Запчасти для мотоциклов Suzuki TU250
{modalWnd}