OEM ЗАПЧАСТИ

  info@automotohub.ru   8 (916) 294-84-77
  О Компании   Оплата и Доставка   Помощь   Обратная связь

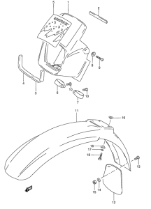
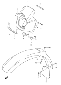
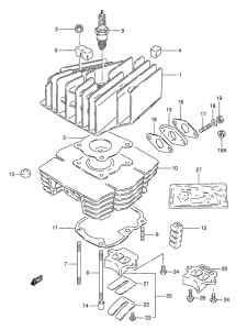
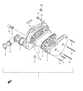
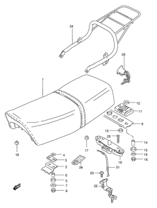
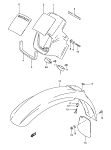
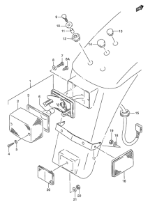
Запчасти для мотоциклов Suzuki TS50

Год: 1986  •  Код модели: TS50XKG(E1) G  •  Объем двигателя: 50
Запчасти для мотоциклов Suzuki TS50
Выбирайте узел вашей техники:


{modalWnd}