OEM ЗАПЧАСТИ

  info@automotohub.ru   8 (916) 294-84-77
  О Компании   Оплата и Доставка   Помощь   Обратная связь

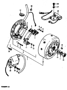
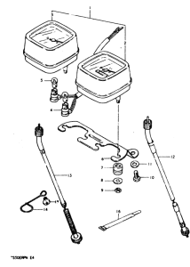
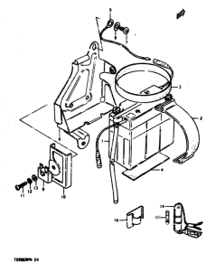
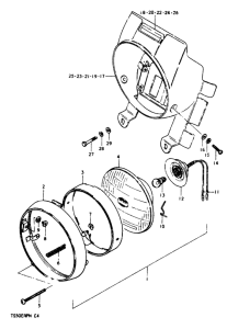
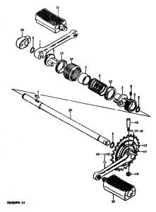
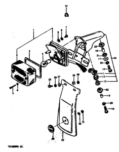
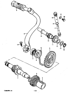
Запчасти для мотоциклов Suzuki TS50

Год: 1992  •  Код модели: TS50ERPDN(N) N  •  Объем двигателя: 50
Запчасти для мотоциклов Suzuki TS50
{modalWnd}