OEM ЗАПЧАСТИ

  info@automotohub.ru   8 (916) 294-84-77
  О Компании   Оплата и Доставка   Помощь   Обратная связь

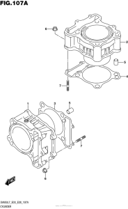
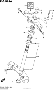
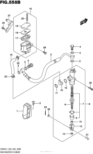
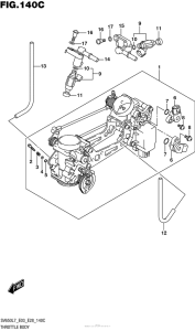
Запчасти для мотоциклов Suzuki SV650

Год: 2017  •  Код модели: SV650L7 (2017)
Запчасти для мотоциклов Suzuki SV650
Выбирайте узел вашей техники:


{modalWnd}