OEM ЗАПЧАСТИ

  info@automotohub.ru   8 (916) 294-84-77
  О Компании   Оплата и Доставка   Помощь   Обратная связь

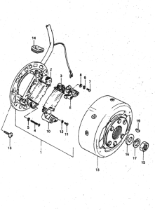
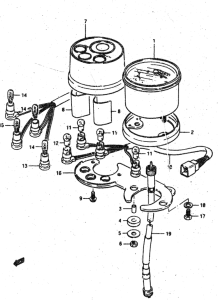
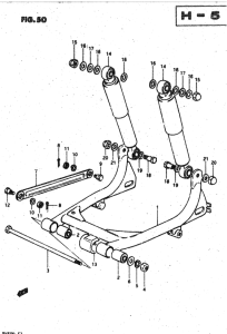
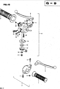
Запчасти для мотоциклов Suzuki RV50

Год: 1983  •  Код модели: RV50D(X/D) D  •  Объем двигателя: 50
Запчасти для мотоциклов Suzuki RV50
{modalWnd}