OEM ЗАПЧАСТИ

  info@automotohub.ru   8 (916) 294-84-77
  О Компании   Оплата и Доставка   Помощь   Обратная связь

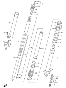
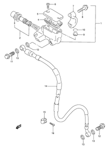
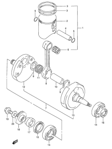
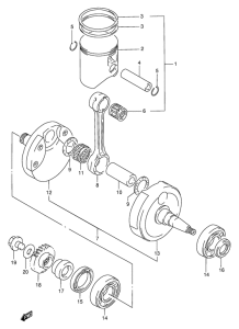
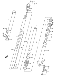
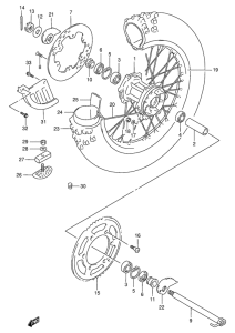
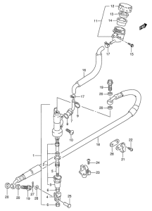
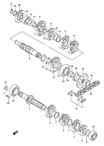
Запчасти для мотоциклов Suzuki RMX250

Год: 1998  •  Код модели: RMX250W(E1) W  •  Объем двигателя: 250
Запчасти для мотоциклов Suzuki RMX250
Выбирайте узел вашей техники:


{modalWnd}