OEM ЗАПЧАСТИ

  info@automotohub.ru   8 (916) 294-84-77
  О Компании   Оплата и Доставка   Помощь   Обратная связь

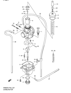
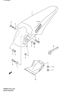
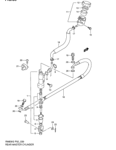
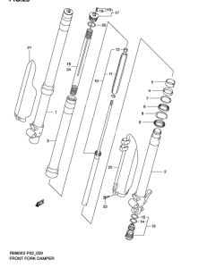
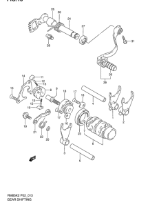
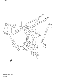
Запчасти для мотоциклов Suzuki RM85

Год: 2002  •  Код модели: RM85K2(P2) K2  •  Объем двигателя: 85
Запчасти для мотоциклов Suzuki RM85
{modalWnd}