OEM ЗАПЧАСТИ

  info@automotohub.ru   8 (916) 294-84-77
  О Компании   Оплата и Доставка   Помощь   Обратная связь

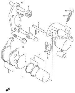
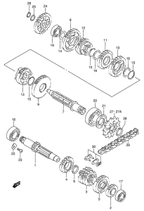
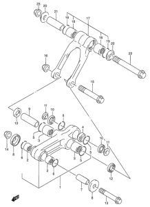
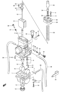
Запчасти для мотоциклов Suzuki RM80

Год: 2001  •  Код модели: RM80K1(P3/P28) K1  •  Объем двигателя: 80
Запчасти для мотоциклов Suzuki RM80
{modalWnd}