OEM ЗАПЧАСТИ

  info@automotohub.ru   8 (916) 294-84-77
  О Компании   Оплата и Доставка   Помощь   Обратная связь

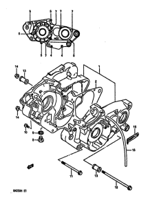
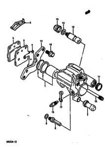
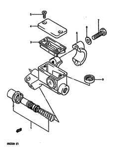
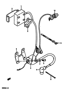
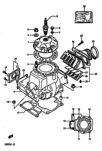
Запчасти для мотоциклов Suzuki RM250

Год: 1986  •  Код модели: RM250G(G/H) G  •  Объем двигателя: 250
Запчасти для мотоциклов Suzuki RM250
Выбирайте узел вашей техники:


{modalWnd}