OEM ЗАПЧАСТИ

  info@automotohub.ru   8 (916) 294-84-77
  О Компании   Оплата и Доставка   Помощь   Обратная связь

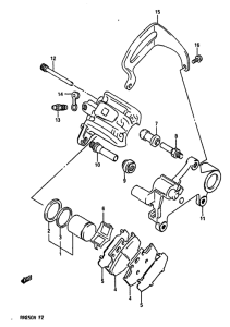
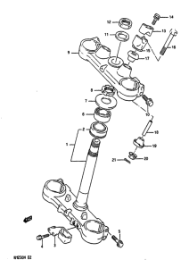
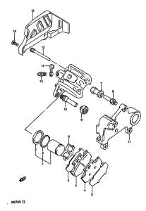
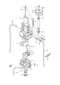
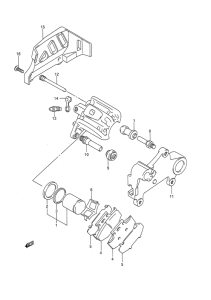
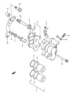
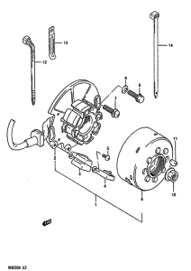
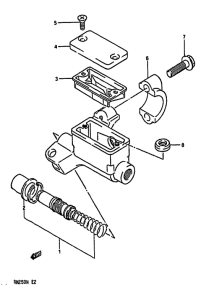
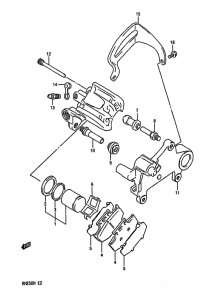
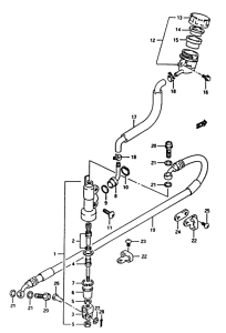
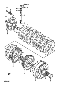
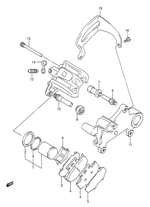
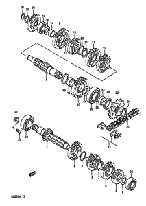
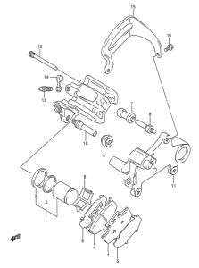
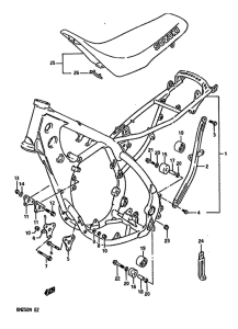
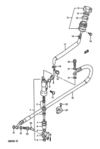
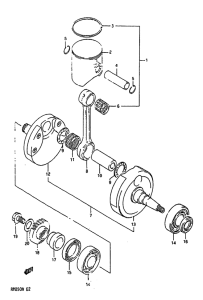
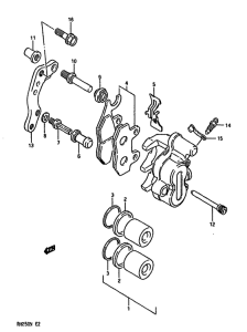
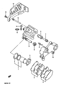
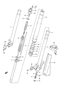
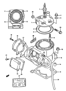
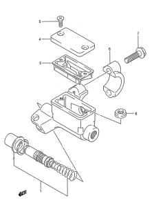
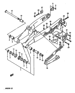
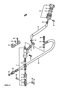
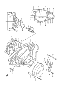
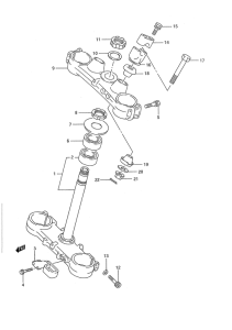
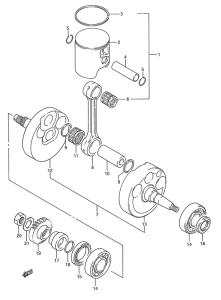
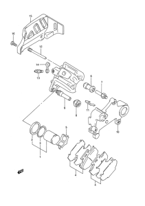
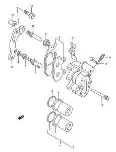
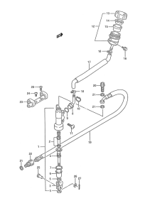
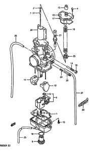
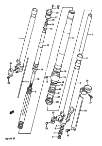
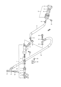
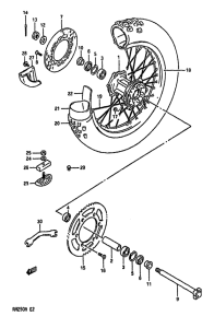
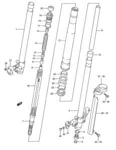
Запчасти для мотоциклов Suzuki RM250

Год: 1991  •  Код модели: RM250M(K/L/M/N) M  •  Объем двигателя: 250
Запчасти для мотоциклов Suzuki RM250
Выбирайте узел вашей техники:


{modalWnd}