OEM ЗАПЧАСТИ

  info@automotohub.ru   8 (916) 294-84-77
  О Компании   Оплата и Доставка   Помощь   Обратная связь

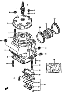
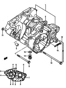
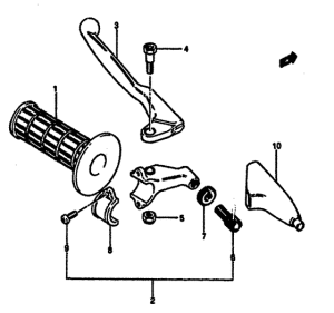
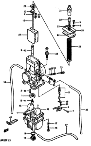
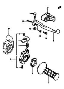
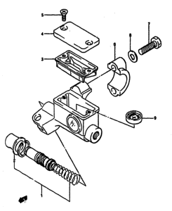
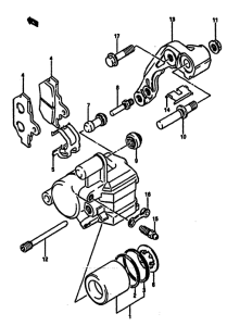
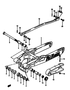
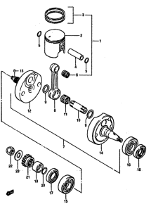
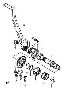
Запчасти для мотоциклов Suzuki RM125

Год: 1984  •  Код модели: RM125E(E/F) E  •  Объем двигателя: 125
Запчасти для мотоциклов Suzuki RM125
{modalWnd}