OEM ЗАПЧАСТИ

  info@automotohub.ru   8 (916) 294-84-77
  О Компании   Оплата и Доставка   Помощь   Обратная связь

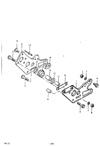
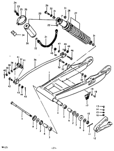
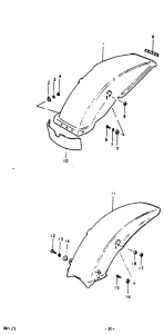
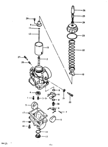
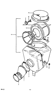
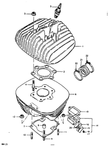
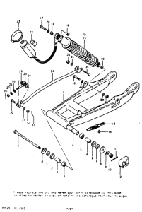
Запчасти для мотоциклов Suzuki RM125

Год: 1992  •  Код модели: RM125N(N/T) N  •  Объем двигателя: 125
Запчасти для мотоциклов Suzuki RM125
Выбирайте узел вашей техники:


{modalWnd}