OEM ЗАПЧАСТИ

  info@automotohub.ru   8 (916) 294-84-77
  О Компании   Оплата и Доставка   Помощь   Обратная связь

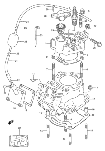
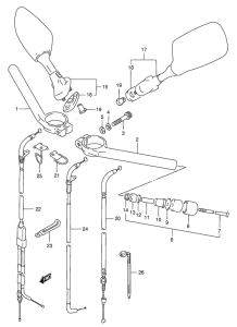
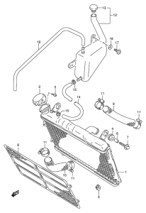
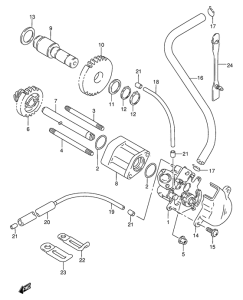
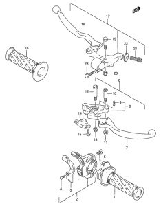
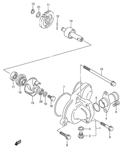
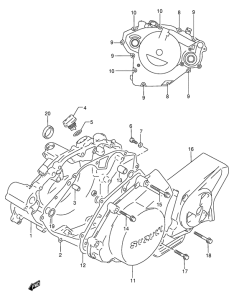
Запчасти для мотоциклов Suzuki RG125

Год: 1999  •  Код модели: RG125FX(E6) X  •  Объем двигателя: 125
Запчасти для мотоциклов Suzuki RG125
{modalWnd}