OEM ЗАПЧАСТИ

  info@automotohub.ru   8 (916) 294-84-77
  О Компании   Оплата и Доставка   Помощь   Обратная связь

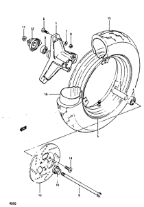
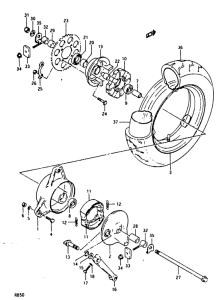
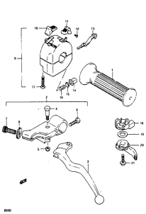
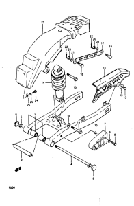
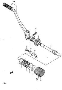
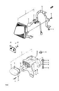
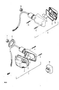
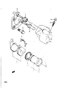
Запчасти для мотоциклов Suzuki RB50

Год: 1987  •  Код модели: RB50H H  •  Объем двигателя: 50
Запчасти для мотоциклов Suzuki RB50
{modalWnd}