OEM ЗАПЧАСТИ

  info@automotohub.ru   8 (916) 294-84-77
  О Компании   Оплата и Доставка   Помощь   Обратная связь

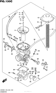
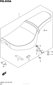
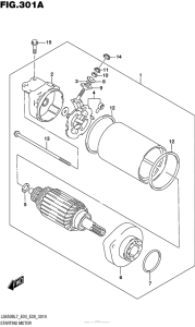
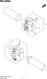
Запчасти для мотоциклов Suzuki LS650 Boulevard S40

Год: 2017  •  Код модели: LS650BL7  •  Объем двигателя: 650
Запчасти для мотоциклов Suzuki LS650 Boulevard S40
Выбирайте узел вашей техники:


{modalWnd}