OEM ЗАПЧАСТИ

  info@automotohub.ru   8 (916) 294-84-77
  О Компании   Оплата и Доставка   Помощь   Обратная связь

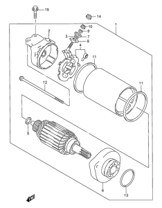
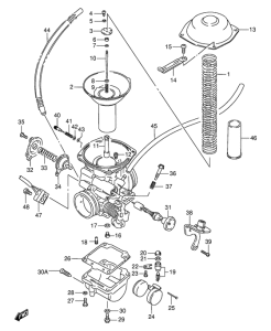
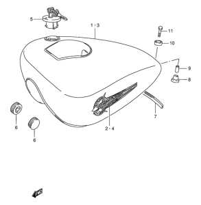
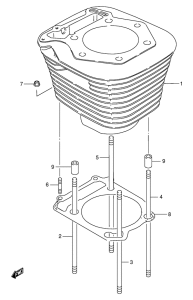
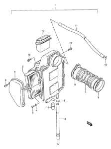
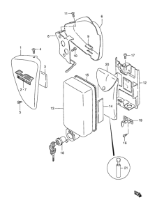
Запчасти для мотоциклов Suzuki LS650

Год: 1999  •  Код модели: LS650PX(E2) X  •  Объем двигателя: 650
Запчасти для мотоциклов Suzuki LS650
Выбирайте узел вашей техники:


{modalWnd}