OEM ЗАПЧАСТИ

  info@automotohub.ru   8 (916) 294-84-77
  О Компании   Оплата и Доставка   Помощь   Обратная связь

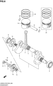
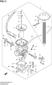
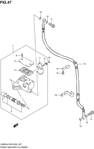
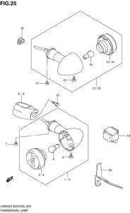
Запчасти для мотоциклов Suzuki LS650

Год: 2010  •  Код модели: LS650L0(E3/E28) L0  •  Объем двигателя: 650
Запчасти для мотоциклов Suzuki LS650
{modalWnd}