OEM ЗАПЧАСТИ

  info@automotohub.ru   8 (916) 294-84-77
  О Компании   Оплата и Доставка   Помощь   Обратная связь

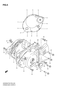
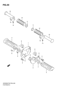
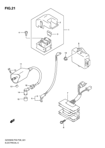
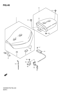
Запчасти для мотоциклов Suzuki GZ250 Marauder

Год: 2010  •  Код модели: GZ250L0(P3) L0  •  Объем двигателя: 250
Запчасти для мотоциклов Suzuki GZ250 Marauder
Выбирайте узел вашей техники:


{modalWnd}