OEM ЗАПЧАСТИ

  info@automotohub.ru   8 (916) 294-84-77
  О Компании   Оплата и Доставка   Помощь   Обратная связь

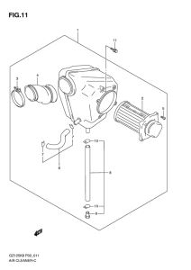
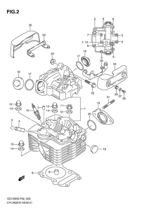
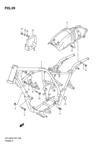
Запчасти для мотоциклов Suzuki GZ125 Marauder

Год: 2008  •  Код модели: GZ125K8(P02) K8  •  Объем двигателя: 125
Запчасти для мотоциклов Suzuki GZ125 Marauder
Выбирайте узел вашей техники:


{modalWnd}