OEM ЗАПЧАСТИ

  info@automotohub.ru   8 (916) 294-84-77
  О Компании   Оплата и Доставка   Помощь   Обратная связь

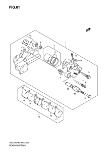
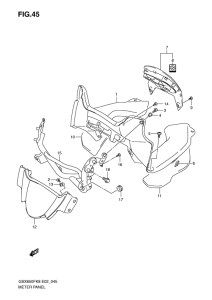
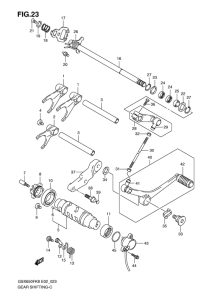
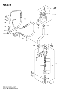
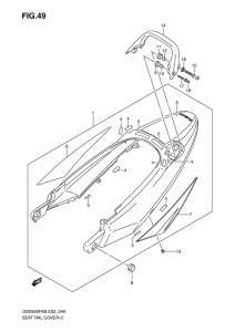
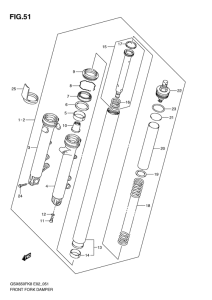
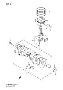
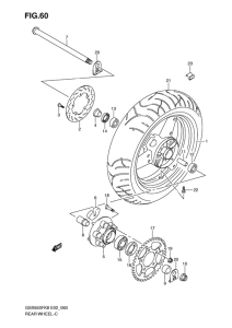
Запчасти для мотоциклов Suzuki GSX650F

Год: 2010  •  Код модели: GSX650FUL0(E2) L0  •  Объем двигателя: 650
Запчасти для мотоциклов Suzuki GSX650F
Выбирайте узел вашей техники:


{modalWnd}