OEM ЗАПЧАСТИ

  info@automotohub.ru   8 (916) 294-84-77
  О Компании   Оплата и Доставка   Помощь   Обратная связь

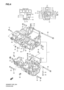
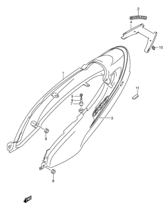
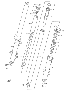
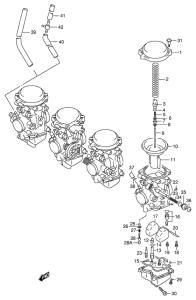
Запчасти для мотоциклов Suzuki GSX600 Katana

Год: 2000  •  Код модели: GSX600FUY(E2) Y  •  Объем двигателя: 600
Запчасти для мотоциклов Suzuki GSX600 Katana
Выбирайте узел вашей техники:


{modalWnd}