OEM ЗАПЧАСТИ

  info@automotohub.ru   8 (916) 294-84-77
  О Компании   Оплата и Доставка   Помощь   Обратная связь

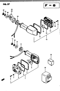
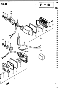
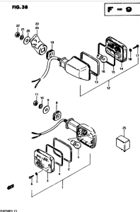
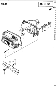
Запчасти для мотоциклов Suzuki GSX250

Год: 1983  •  Код модели: GSX250D(Z/D) D  •  Объем двигателя: 250
Запчасти для мотоциклов Suzuki GSX250
Выбирайте узел вашей техники:


{modalWnd}