OEM ЗАПЧАСТИ

  info@automotohub.ru   8 (916) 294-84-77
  О Компании   Оплата и Доставка   Помощь   Обратная связь

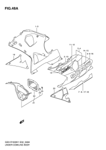
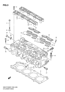
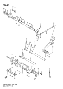
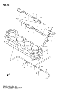
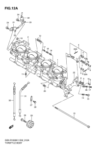
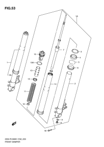
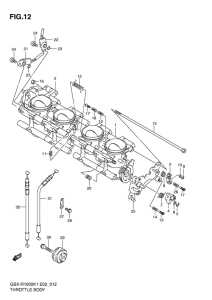
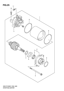
Запчасти для мотоциклов Suzuki GSX-R1000

Год: 2001  •  Код модели: GSX-R1000K1(E2) K1  •  Объем двигателя: 1000
Запчасти для мотоциклов Suzuki GSX-R1000
Выбирайте узел вашей техники:


{modalWnd}