OEM ЗАПЧАСТИ

  info@automotohub.ru   8 (916) 294-84-77
  О Компании   Оплата и Доставка   Помощь   Обратная связь

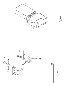
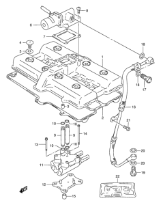
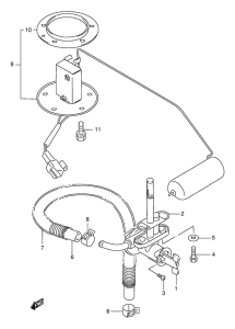
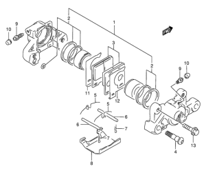
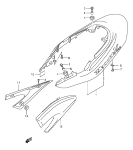
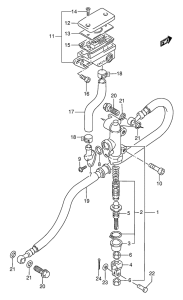
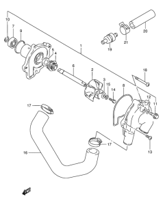
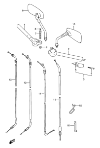
Запчасти для мотоциклов Suzuki GSF400 Bandit

Год: 1997  •  Код модели: GSF400VV(E30) V  •  Объем двигателя: 400
Запчасти для мотоциклов Suzuki GSF400 Bandit
{modalWnd}