OEM ЗАПЧАСТИ

  info@automotohub.ru   8 (916) 294-84-77
  О Компании   Оплата и Доставка   Помощь   Обратная связь

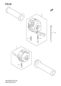
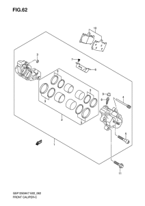
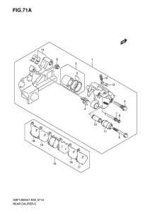
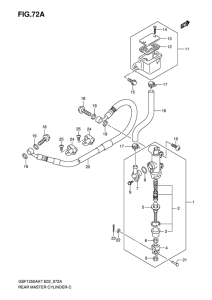
Запчасти для мотоциклов Suzuki GSF1250S (ABS) Bandit S

Год: 2007  •  Код модели: GSF1250SAK7(E2) K7  •  Объем двигателя: 1250
Запчасти для мотоциклов Suzuki GSF1250S (ABS) Bandit S
Выбирайте узел вашей техники:


{modalWnd}