OEM ЗАПЧАСТИ

  info@automotohub.ru   8 (916) 294-84-77
  О Компании   Оплата и Доставка   Помощь   Обратная связь

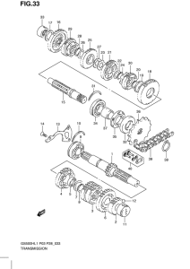
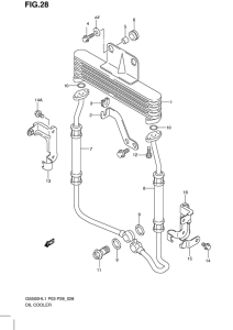
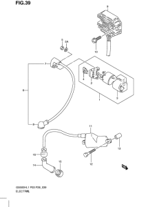
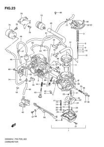
Запчасти для мотоциклов Suzuki GS500

Год: 2011  •  Код модели: GS500FHL1(P3) L1  •  Объем двигателя: 500
Запчасти для мотоциклов Suzuki GS500
Выбирайте узел вашей техники:


{modalWnd}