OEM ЗАПЧАСТИ

  info@automotohub.ru   8 (916) 294-84-77
  О Компании   Оплата и Доставка   Помощь   Обратная связь

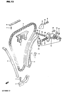
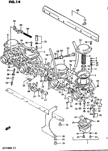
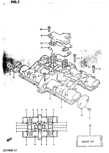
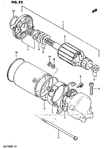
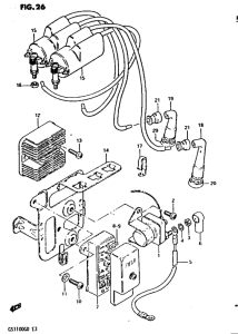
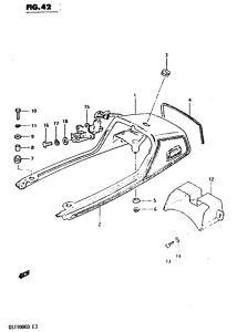
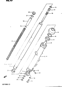
Запчасти для мотоциклов Suzuki GS1100

Год: 1983  •  Код модели: GS1100GD(Z/D) D  •  Объем двигателя: 1100
Запчасти для мотоциклов Suzuki GS1100
Выбирайте узел вашей техники:


{modalWnd}