OEM ЗАПЧАСТИ

  info@automotohub.ru   8 (916) 294-84-77
  О Компании   Оплата и Доставка   Помощь   Обратная связь

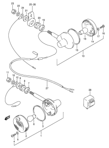
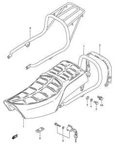
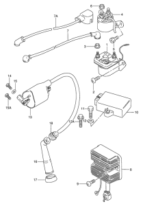
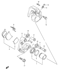
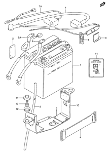
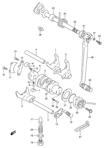
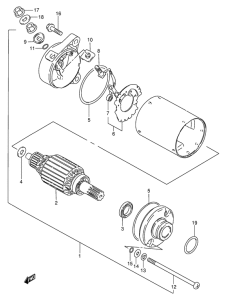
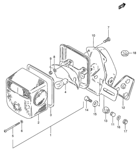
Запчасти для мотоциклов Suzuki GN250

Год: 1993  •  Код модели: GN250P(E2) P  •  Объем двигателя: 250
Запчасти для мотоциклов Suzuki GN250
Выбирайте узел вашей техники:


{modalWnd}