OEM ЗАПЧАСТИ

  info@automotohub.ru   8 (916) 294-84-77
  О Компании   Оплата и Доставка   Помощь   Обратная связь

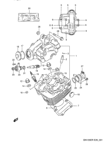
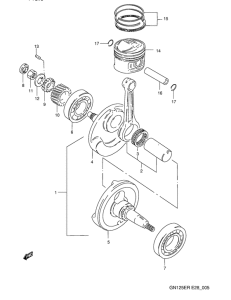
Запчасти для мотоциклов Suzuki GN125

Год: 1994  •  Код модели: GN125ER(E28) R  •  Объем двигателя: 125
Запчасти для мотоциклов Suzuki GN125
{modalWnd}