OEM ЗАПЧАСТИ

  info@automotohub.ru   8 (916) 294-84-77
  О Компании   Оплата и Доставка   Помощь   Обратная связь

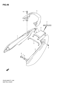
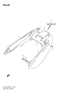
Запчасти для мотоциклов Suzuki EN125-2

Год: 2009  •  Код модели: EN125-2AK9(P71) K9  •  Объем двигателя: 125
Запчасти для мотоциклов Suzuki EN125-2
Выбирайте узел вашей техники:


{modalWnd}