OEM ЗАПЧАСТИ

  info@automotohub.ru   8 (916) 294-84-77
  О Компании   Оплата и Доставка   Помощь   Обратная связь

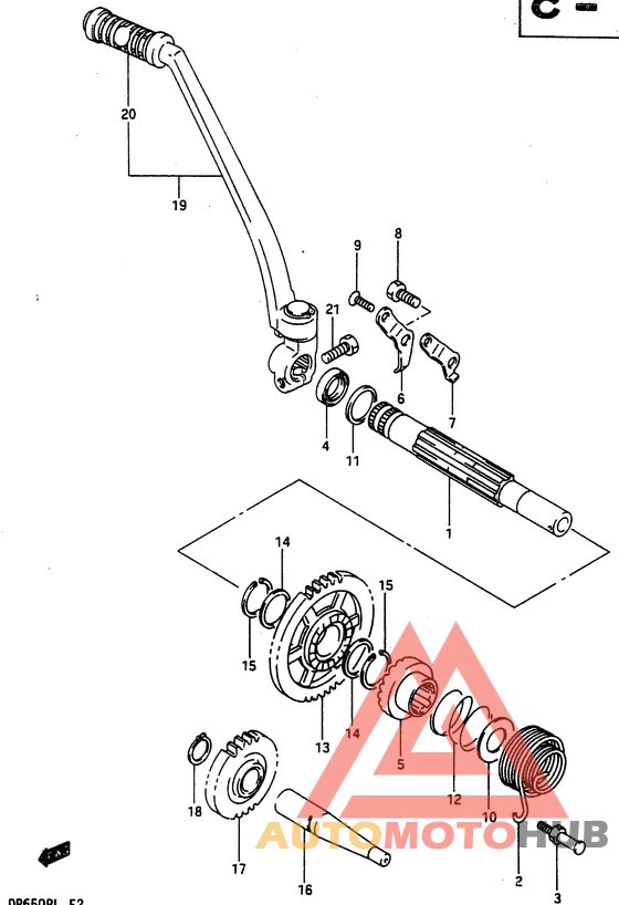
Ножной стартер

для Suzuki DR650
Suzuki
Ножной стартер
Ножной стартер
#кодцена
1
26211-14A02-000
Деталь SHAFT,KICK STARTER
Shaft, kick starter
узнать
цену
узнать цену
2
09448-41003-000
Пружина
узнать
цену
узнать цену
3
26237-14500-000
Деталь Bolt spring hoo
узнать
цену
узнать цену
4
09283-20044-000
Сальник
Seal, kick (20x27x6) Oil seal (20x27x6);
узнать
цену
узнать цену
5
26231-38202-000
Деталь STARTER,KICK
узнать
цену
узнать цену
5
26231-38201-000
Фиксатор
узнать
цену
узнать цену
6
26232-14A00-000
Направляющая
Lifter
узнать
цену
узнать цену
7
26233-14A01-000
Деталь STOPPER,KICK STARTER
узнать
цену
узнать цену
8узнать
цену
узнать цену
8узнать
цену
узнать цену
9узнать
цену
узнать цену
10
08211-17341-000
Шайба
Washer;
узнать
цену
узнать цену
11
09181-20167-000
Шайба (20X28X1.0)
Shim (20x28x1.0)
узнать
цену
узнать цену
11
08211-20281-000
Шайба (1.0)
узнать
цену
узнать цену
12
09440-32006-000
Пружина
узнать
цену
узнать цену
13
26240-14A00-000
Деталь Gear kick drive
Gear, drive (nt:40) Gear, drive (nt:40);
узнать
цену
узнать цену
14
09181-22139-000
Деталь SHIM(22X28X1)
Washer (22x28x1.0)
узнать
цену
узнать цену
14
08211-22281-000
Шайба (T:1.0)
узнать
цену
узнать цену
15
09380-22006-000
Пружинное стопорное кольцо
Circlip Circlip;
узнать
цену
узнать цену
16
26223-14A00-000
Деталь Shaft, idle
узнать
цену
узнать цену
17
26260-37400-000
Деталь Gear k starter
Gear (nt:24) Gear, starter idle (nt:24);
узнать
цену
узнать цену
18
09380-17001-000
Пружинное стопорное кольцо
Circlip
узнать
цену
узнать цену
19
26300-14A03-000
Деталь LEVER ASSY,KICK STARTER
Lever assy, kick starter
узнать
цену
узнать цену
19
26300-14A00-000
Деталь Lever assy, kick starter
узнать
цену
узнать цену
20
26352-16401-000
Деталь RUBBER,KICK STARTER PEDAL
Cover
узнать
цену
узнать цену
21
09100-08194-000
Деталь Bolt, kick,star
узнать
цену
узнать цену
{modalWnd}