OEM ЗАПЧАСТИ

  info@automotohub.ru   8 (916) 294-84-77
  О Компании   Оплата и Доставка   Помощь   Обратная связь

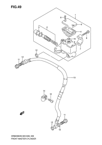
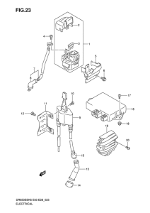
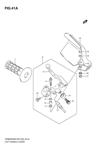
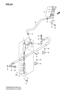
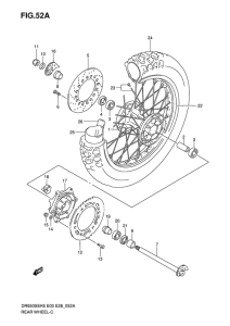
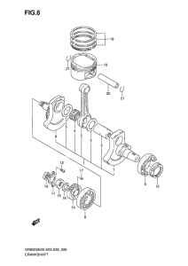
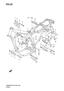
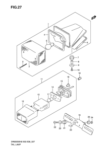
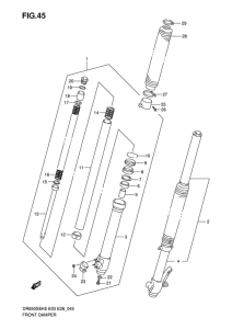
Запчасти для мотоциклов Suzuki DR650

Год: 2006  •  Код модели: DR650SEK6(E3/E28) K6  •  Объем двигателя: 650
Запчасти для мотоциклов Suzuki DR650
Выбирайте узел вашей техники:


{modalWnd}