OEM ЗАПЧАСТИ

  info@automotohub.ru   8 (916) 294-84-77
  О Компании   Оплата и Доставка   Помощь   Обратная связь

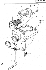
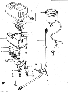
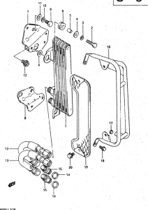
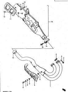
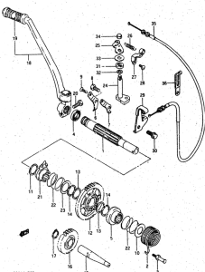
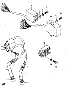
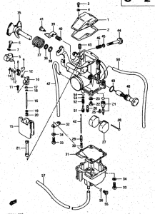
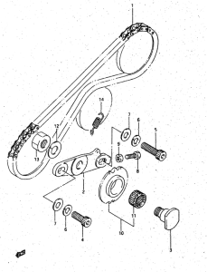
Запчасти для мотоциклов Suzuki DR500

Год: 1987  •  Код модели: DR500H(G/H/J) H  •  Объем двигателя: 500
Запчасти для мотоциклов Suzuki DR500
Выбирайте узел вашей техники:


{modalWnd}