OEM ЗАПЧАСТИ

  info@automotohub.ru   8 (916) 294-84-77
  О Компании   Оплата и Доставка   Помощь   Обратная связь

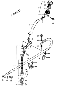
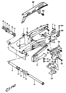
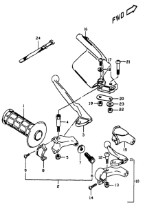
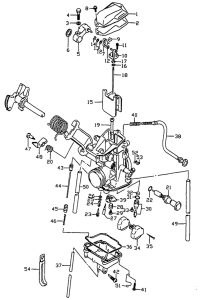
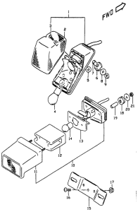
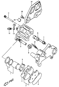
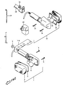
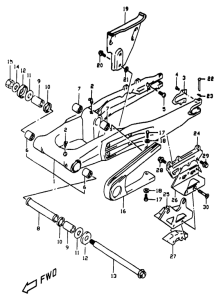
Запчасти для мотоциклов Suzuki DR350

Год: 1998  •  Код модели: DR350W(V/W/X) W  •  Объем двигателя: 350
Запчасти для мотоциклов Suzuki DR350
Выбирайте узел вашей техники:


{modalWnd}