OEM ЗАПЧАСТИ

  info@automotohub.ru   8 (916) 294-84-77
  О Компании   Оплата и Доставка   Помощь   Обратная связь

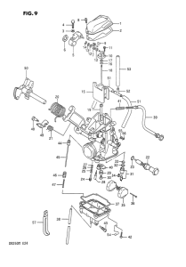
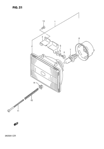
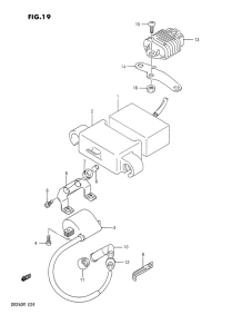
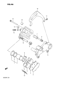
Запчасти для мотоциклов Suzuki DR250

Год: 1991  •  Код модели: DR250M(E24) M  •  Объем двигателя: 250
Запчасти для мотоциклов Suzuki DR250
{modalWnd}