OEM ЗАПЧАСТИ

  info@automotohub.ru   8 (916) 294-84-77
  О Компании   Оплата и Доставка   Помощь   Обратная связь

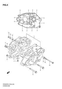
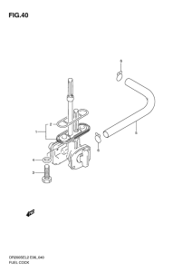
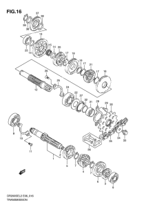
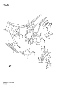
Запчасти для мотоциклов Suzuki DR200

Год: 2012  •  Код модели: DR200SEL2(E06) L2  •  Объем двигателя: 200
Запчасти для мотоциклов Suzuki DR200
Выбирайте узел вашей техники:


{modalWnd}