OEM ЗАПЧАСТИ

  info@automotohub.ru   8 (916) 294-84-77
  О Компании   Оплата и Доставка   Помощь   Обратная связь

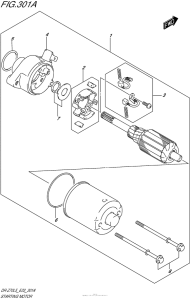
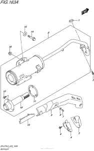
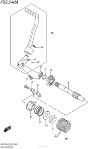
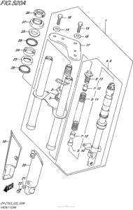
Запчасти для мотоциклов Suzuki DR-Z70

Год: 2015  •  Код модели: DR-Z70L5  •  Объем двигателя: 70
Запчасти для мотоциклов Suzuki DR-Z70
{modalWnd}