OEM ЗАПЧАСТИ

  info@automotohub.ru   8 (916) 294-84-77
  О Компании   Оплата и Доставка   Помощь   Обратная связь

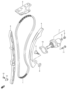
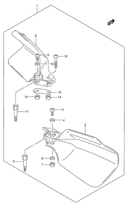
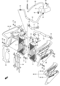
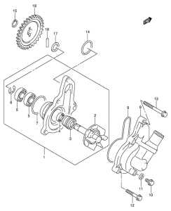
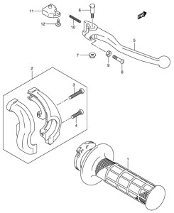
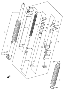
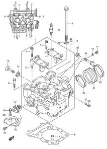
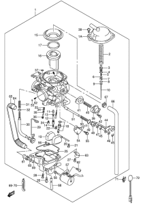
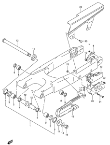
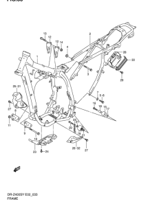
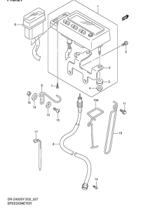
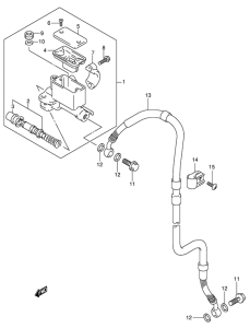
Запчасти для мотоциклов Suzuki DR-Z400

Год: 2002  •  Код модели: DR-Z400SK2(E2) K2  •  Объем двигателя: 400
Запчасти для мотоциклов Suzuki DR-Z400
Выбирайте узел вашей техники:


{modalWnd}