OEM ЗАПЧАСТИ

  info@automotohub.ru   8 (916) 294-84-77
  О Компании   Оплата и Доставка   Помощь   Обратная связь

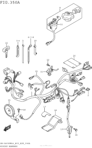
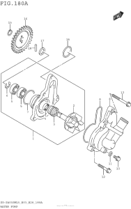
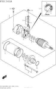
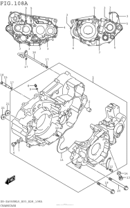
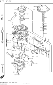
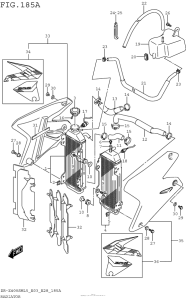
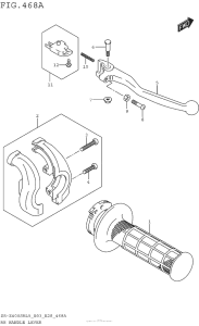
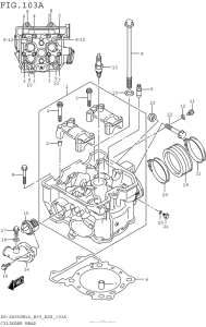
Запчасти для мотоциклов Suzuki DR-Z400SM

Год: 2015  •  Код модели: DR-Z400SML5  •  Объем двигателя: 400
Запчасти для мотоциклов Suzuki  DR-Z400SM
Выбирайте узел вашей техники:


{modalWnd}