OEM ЗАПЧАСТИ

  info@automotohub.ru   8 (916) 294-84-77
  О Компании   Оплата и Доставка   Помощь   Обратная связь

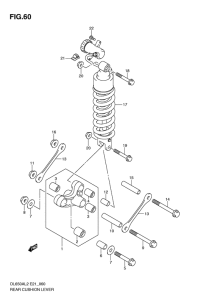
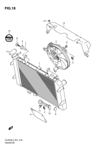
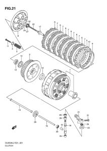
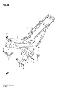
Запчасти для мотоциклов Suzuki DL650 (ABS) V-Strom

Год: 2012  •  Код модели: DL650AUEL2(E21) L2  •  Объем двигателя: 650
Запчасти для мотоциклов Suzuki DL650 (ABS) V-Strom
Выбирайте узел вашей техники:


{modalWnd}