OEM ЗАПЧАСТИ

  info@automotohub.ru   8 (916) 294-84-77
  О Компании   Оплата и Доставка   Помощь   Обратная связь

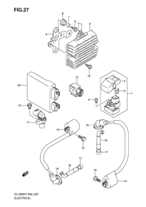
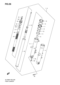
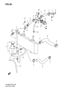
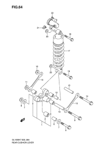
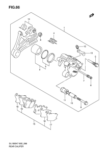
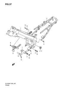
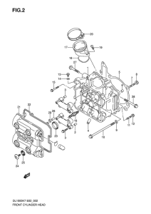
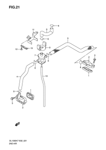
Запчасти для мотоциклов Suzuki DL1000 V-Strom

Год: 2009  •  Код модели: DL1000K9(E2) K9  •  Объем двигателя: 1000
Запчасти для мотоциклов Suzuki DL1000 V-Strom
Выбирайте узел вашей техники:


{modalWnd}