OEM ЗАПЧАСТИ

  info@automotohub.ru   8 (916) 294-84-77
  О Компании   Оплата и Доставка   Помощь   Обратная связь

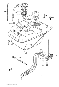
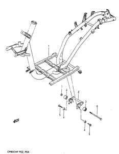
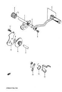
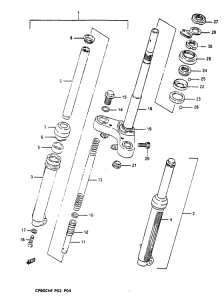
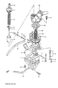
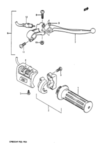
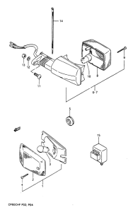
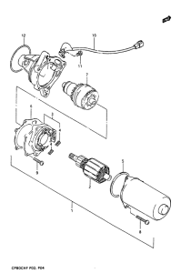
Запчасти для мотоциклов Suzuki CP80

Год: 1985  •  Код модели: CP80CHF F  •  Объем двигателя: 80
Запчасти для мотоциклов Suzuki CP80
{modalWnd}