OEM ЗАПЧАСТИ

  info@automotohub.ru   8 (916) 294-84-77
  О Компании   Оплата и Доставка   Помощь   Обратная связь

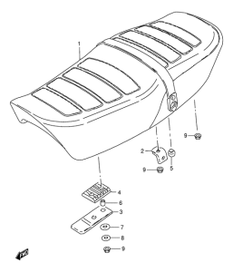
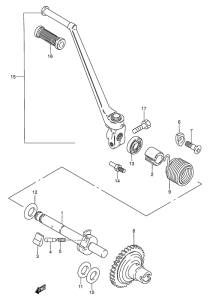
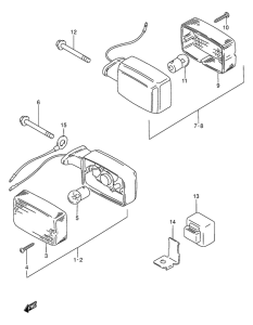
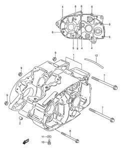
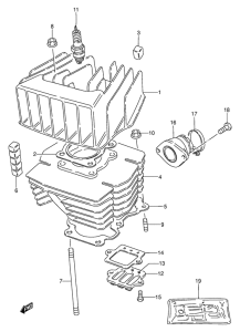
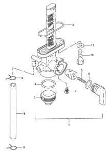
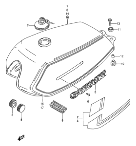
Запчасти для мотоциклов Suzuki AX100

Год: 1994  •  Код модели: AX100R(E94) R  •  Объем двигателя: 100
Запчасти для мотоциклов Suzuki AX100
{modalWnd}