OEM ЗАПЧАСТИ

  info@automotohub.ru   8 (916) 294-84-77
  О Компании   Оплата и Доставка   Помощь   Обратная связь

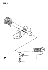
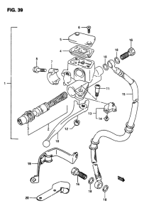
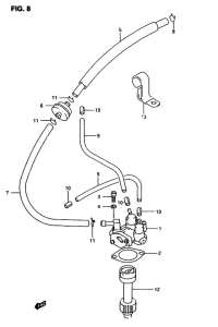
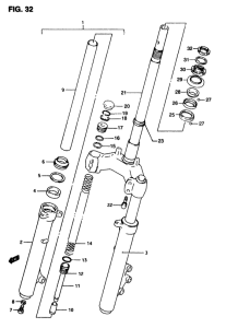
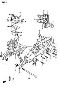
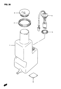
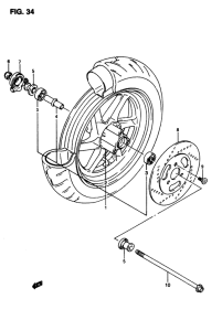
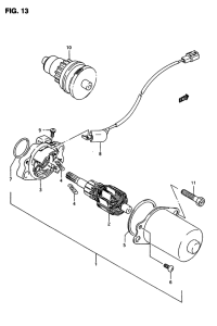
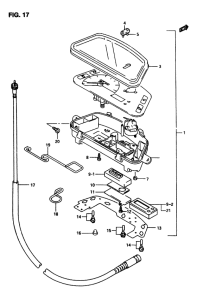
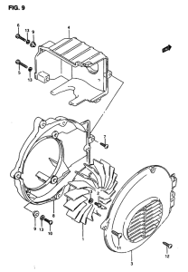
Запчасти для мотоциклов Suzuki AP50

Год: 1997  •  Код модели: AP50V(T/7/V) V  •  Объем двигателя: 50
Запчасти для мотоциклов Suzuki AP50
{modalWnd}