OEM ЗАПЧАСТИ

  info@automotohub.ru   8 (916) 294-84-77
  О Компании   Оплата и Доставка   Помощь   Обратная связь

Запчасти для мотоциклов Suzuki AN650Z Burgman (European analogue of "SkyWave")

Год: 2014  •  Код модели: AN650ZL4  •  Объем двигателя: 650
Запчасти для мотоциклов Suzuki AN650Z Burgman (European analogue of "SkyWave")
Выбирайте узел вашей техники:
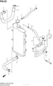
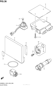
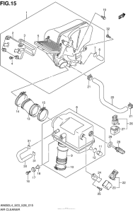
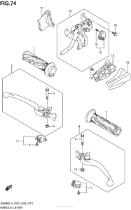
AN650Z Cvt


{modalWnd}