OEM ЗАПЧАСТИ

  info@automotohub.ru   8 (916) 294-84-77
  О Компании   Оплата и Доставка   Помощь   Обратная связь

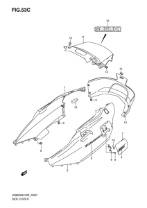
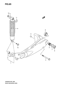
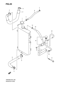
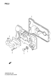
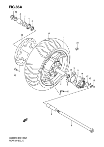
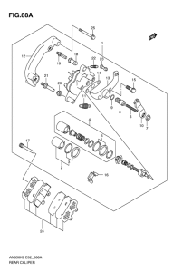
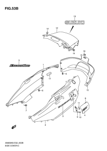
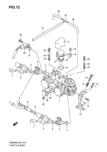
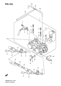
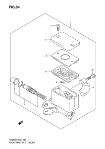
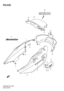
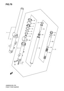
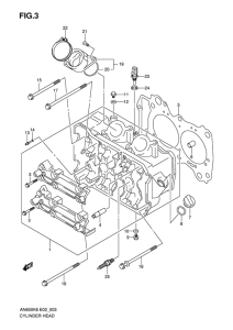
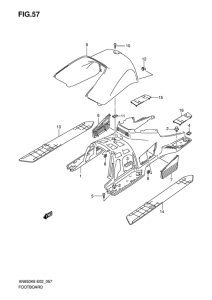
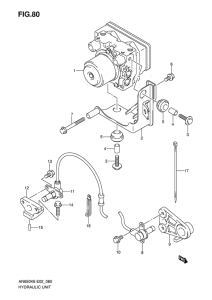
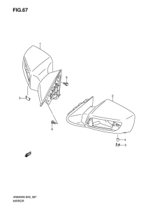
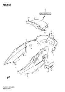
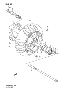
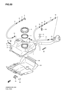
Запчасти для мотоциклов Suzuki AN650 (ABS) Burgman (European analogue of "SkyWave")

Год: 2006  •  Код модели: AN650AK6(E2) K6  •  Объем двигателя: 650
Запчасти для мотоциклов Suzuki AN650 (ABS) Burgman (European analogue of "SkyWave")
Выбирайте узел вашей техники:
AN650 (ABS) Cvt


{modalWnd}