OEM ЗАПЧАСТИ

  info@automotohub.ru   8 (916) 294-84-77
  О Компании   Оплата и Доставка   Помощь   Обратная связь

Запчасти для мотоциклов Suzuki AN650 Burgman (European analogue of "SkyWave")

Год: 2015  •  Код модели: AN650L5  •  Объем двигателя: 650
Запчасти для мотоциклов Suzuki AN650 Burgman (European analogue of "SkyWave")
Выбирайте узел вашей техники:
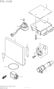
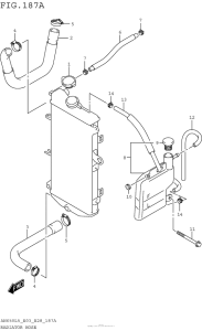
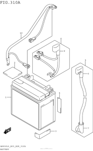
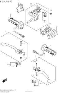
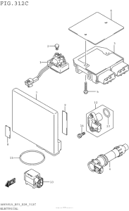
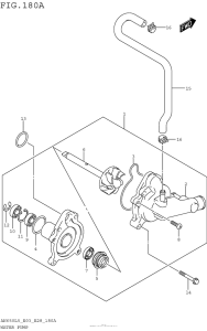
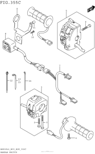
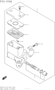
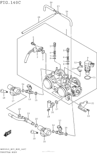
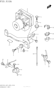
AN650 Cvt


{modalWnd}