OEM ЗАПЧАСТИ

  info@automotohub.ru   8 (916) 294-84-77
  О Компании   Оплата и Доставка   Помощь   Обратная связь

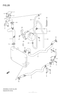
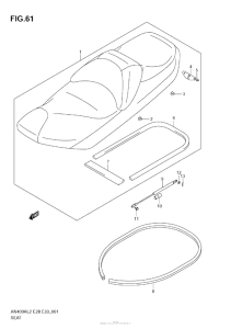
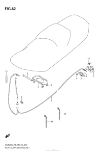
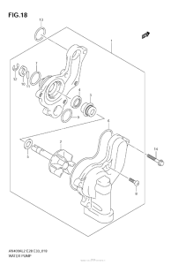
Запчасти для мотоциклов Suzuki AN400 (ABS) Burgman (European analogue of "SkyWave")

Год: 2012  •  Код модели: AN400AL2  •  Объем двигателя: 400
Запчасти для мотоциклов Suzuki AN400 (ABS) Burgman (European analogue of "SkyWave")
Выбирайте узел вашей техники:


{modalWnd}