OEM ЗАПЧАСТИ

  info@automotohub.ru   8 (916) 294-84-77
  О Компании   Оплата и Доставка   Помощь   Обратная связь

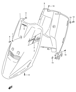
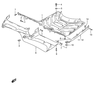
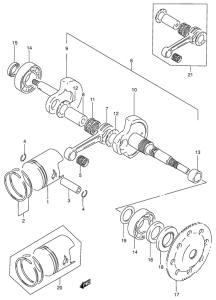
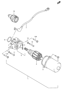
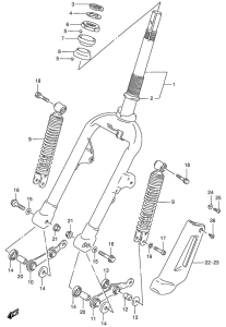
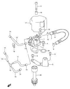
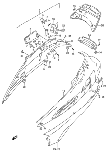
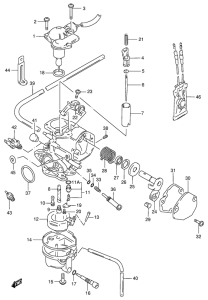
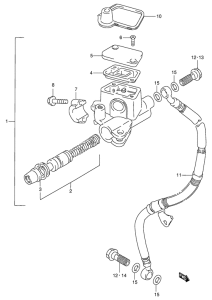
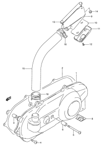
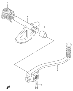
Запчасти для мотоциклов Suzuki AG100 Address V100

Год: 2000  •  Код модели: AG100Y(E71) Y  •  Объем двигателя: 100
Запчасти для мотоциклов Suzuki AG100 Address V100
{modalWnd}