OEM ЗАПЧАСТИ

  info@automotohub.ru   8 (916) 294-84-77
  О Компании   Оплата и Доставка   Помощь   Обратная связь
Выбирайте узел вашей техники:
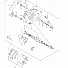
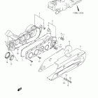
AN650,A Cvt


{modalWnd}